Врезной замок Mottura 40.731.60, купить с доставкой по Беларуси
Рычажный врезной замок Mottura 40.731.60 (Mottura 4073160) из 40 серии с двойным заусечным ключом. Прост в установке и эксплуатации. Он имеет одну точку блокировки. Цинковое покрытие. В комплект входят пять клавиш. Один широкий цельный ригель с выбросом до 36 мм и реверсивной защелкой. Он крепится путем вставки замка в дверь. Полная блокировка: 4 полуоборота на 180°. Конструкция замка оснащена защитой от разблокировки: «поворотной».
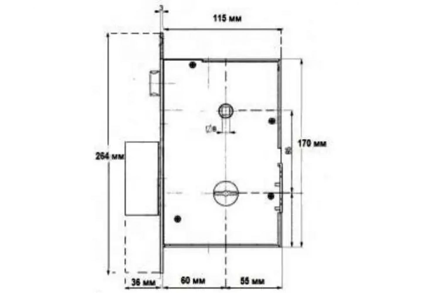
Основные характеристики:
- Backset - 60 мм
- Межосевое расстояние составляет 85 мм.
- Количество ключей: 5
- Размеры замка: 170 x 115 x 18 мм
- Вес замка: 1 кг
- Материал: Сталь
- Цвет (покрытие): хром
- Запирание четырьмя полуоборотами на ключах 180°;
- Один сплошной ригель;
- Выход ригеля 36 мм;
- Замок универсальный.
- Страна происхождения: Италия
Дополнительные преимущества:
- Повышенная безопасность: благодаря конструкции с четырьмя полуоборотами на 180° замок обеспечивает надежную защиту и его трудно взломать, что повышает уровень безопасности вашего дома или офиса.
- Защита от манипуляций: Наличие специальной защиты от разблокировки путем «поворота» помогает избежать попыток несанкционированного доступа с помощью отмычек или инструментов для взлома.
- Долговечность и прочность: Корпус изготовлен из стали и хромирован, что придает ему дополнительную устойчивость к коррозии и повреждениям, обеспечивая долгий срок службы замка даже в сложных условиях эксплуатации.
- Реверсивная защелка: Обеспечивает простоту установки как на левых, так и на правых дверях, что делает замок универсальным для различных типов дверей.
- Простота монтажа: благодаря продуманной конструкции и стандартным размерам, замок можно легко установить как в металлические, так и в деревянные двери, без необходимости в дополнительных доработках.
- Итальянское качество: Mottura – проверенный бренд с многолетней репутацией на рынке, гарантирующий высокое качество и надежность продукции.
Применение:
Мы рекомендуем купить врезной замок серии 40.731.60, потому что он подходит для установки в качестве основного или дополнительного замка на входную дверь как в жилых, так и в коммерческих помещениях. Его универсальная конструкция позволяет использовать замок с разными типами дверей - деревянными или металлическими. Благодаря высокому уровню защиты от взлома и надежной конструкции, этот замок идеально подходит для квартир, частные дома, офисы или склады, где важен повышенный уровень безопасности
На сайте SUPERDVERI.BY цена на Mottura 40.731.60 (5 ключей) является одной из самых доступных в Беларуси.